Ibridi commerciali - Nimbus Plus S R32 Cascade + Genus Premium Evo HP

| 191

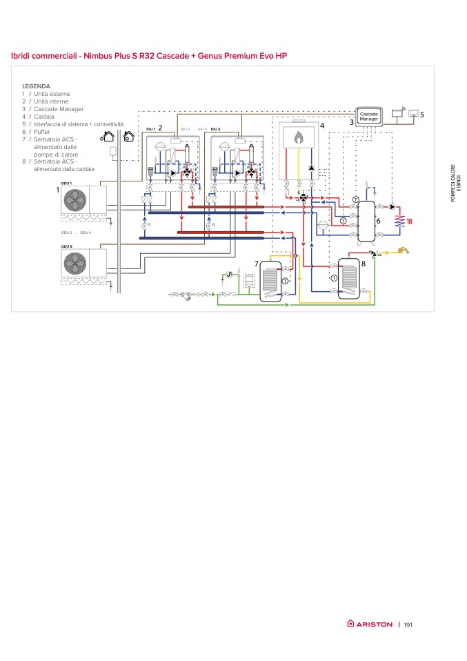
LEGENDA

1 / Unità esterne

2 /

3 /

4 /

5 /

6 /

7 /

8 /

Unità interne

Cascade Manager

Caldaia

Interfaccia di sistema + connettività

Puffer

Serbatoio ACS -

alimentato dalle

pompe di calore

Serbatoio ACS -

alimentato dalla caldaia

1

ODU 1

ODU 2 ...

ODU 5

Cascade

3 Manager

4

5

IDU 1

2

AB

A

B

AB

B

A

IDU 2 ... IDU 4 IDU 5

(*)

(*)

B

AB

A

ODU 4

6

A

B

AB

7

8

P

O

M

P

E

D

I

C

A

L

O

R

E

E

I

B

R

I

D

I