Schemi funzionali - Cascata

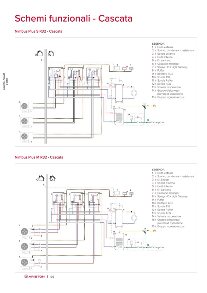
Nimbus Plus S R32 - Cascata

Nimbus Plus M R32 - Cascata

| 156

LEGENDA

1 / Unità esterne

3

2 /

3 /

4 /

5 /

6 /

7 /

8 /

9 /

10/

11 /

12 /

13 /

14 /

15 /

Scarico condensa + resistenza

Sonda esterna

Unità interne

Kit sanitario

Cascade manager

SensysHD+LightGateway

Pu

ffer

Bollitore ACS

Sonda T10

Sonda Pu

ffer

Sonda ACS

Valvola miscelatrice

Gruppo di sicurezza

pi

ù vaso di espansione

Gruppo ingresso acqua

4

4

4

5

5

6

12

T

7

9

10

T

11

T

8

1

2

1

2

1

2

13

A

AB

B

15

14

P

O

M

P

E

D

I

C

A

L

O

R

E

E

I

B

R

I

D

I

LEGENDA

1 / Unità esterne

4

2 /

3 /

4 /

5 /

6/

7 /

8 /

9 /

10 /

11/

12/

13 /

14 /

15/

16 /

Scarico condensa + resistenza

Kit Exogel

Sonda esterna

Unità interne

Kit sanitario

Cascade manager

SensysHD+LightGateway

Pu

ffer

Bollitore ACS

Sonda T10

Sonda Pu

ffer

Sonda ACS

Valvola miscelatrice

Gruppodisicurezza

pi

ù vaso di espansione

Gruppo ingresso acqua

7

8

5

5

5

6

6

1

1

2

1

11

12

T

T

9

13

T

10

14

A

AB

B

16

3

2

15

3

2

3