HWT-801HW-E, HWT-1101HW-E

HWT-801HRW-E, HWT-1101HRW-E

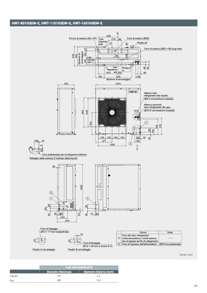
HWT-801H(8)W-E, HWT-1101H(8)W-E, HWT-1401H(8)W-E

37

0

10

5

C

L

438

4-Foro di scarico (36 × 85)

Lato

ingresso

aria

215 8

0

Foro di scarico (Ø38

)

7

0

Piedino B

6

0

4

4

3

4

0

5

(

B

u

l

l

o

n

e

d

i

a

n

c

o

r

a

g

g

i

o

)

6

7

1

6

8

Foro di scarico (Ø20 × 88 long hole)

69

2

0

5

1

3

5

Lat

o

ingresso

ari

a

6

6

5

6

2

8

10

9

6

0

Foro pretranciato per la tubazione inferior

e

Dettaglio della sezione Z indicato dalla freccia

1

0

5

0

2

1

1

9

4

5

5

9

5

18

80

23

3

2

4

5

5

9

5

44

3

Foro di fissaggio

(Ø12 × 17 foro longitudinale)

1

2

3

7

3

7

Lat

o

espulsion

e

445

ari

a

Piedino

4

8

5

4

A

8

3

55

195

62

0

(Bullone di ancoraggio

)

10

9

101

0

Attacco tubo

refrigerante lato liquido

(Ø6.4 connessione svasata)

Attacco raccordo

tubo refrigerante lato gas

(Ø15.9 connessione svasata

)

5

0

1

1

3

4

6

3

7

6

150 150 150 15

0

37

1

80

13

5

18

5

5

9

5

1

5

5

2

62

8

Z

12 6

4

1

2

Nom

e

Foro del tubo refrigerant

e

Unità idroelettrica / Unità esterna

foro di ingresso del filo di collegamento

Foro di ingresso dell'alimentatore

Note

Piedini A nel dettaglio

Foro di fissaggi

o

(Ø12 × 28 foro a forma di U

)

Piedini B nel dettagli

o

Ø38 Foro pretranciat

o

3

0

(Unità: mm

)

TUBI REFRIGERANTE

Diametro Nominale

Diametro Esterno (mm)

Liquido

1/4"

6.

4

Gas

5/8"

15.9

171