INTEGRAZIONE SISTEMA TERMICO SOLARE

BOLLYTERM

®

HP 1

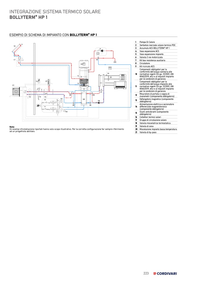
ESEMPIO DI SCHEMA DI IMPIANTO CON BOLLYTERM

®

HP 1

16

17

01

9

T1

1 Pompa Di Calore

2 Serbatoio inerziale volano termico PDC

3 Accumulo ACS BOLLYTERM

®

HP 1

4 Vaso espansione ACS

5 Vaso espansione impianto

6 Valvola 3 vie motorizzata

7 Kit box resistenza ausiliaria

8 Circolatore

9 Kit ricircolo ACS

THERMA

V

21

06

06

12

14

15

1

3

12

10

07

P

T

T

11 normative vigenti (D.Lgs. 31/2001, UNI

8065/2019, etc) e ai requisiti impianto

per le condizioni di garanzia

Misuratore di portata o coppia di

manometri (componente obbligatorio)

Defangatore magnetico (componente

P

E

E

04

13

obbligatorio)

Alimentazione elettrica e sezionatore

11

06

06

05

14 differenziale magnetotermico

(componente obbligatorio)

15

Giunti antivibranti (componente

Note:

Gli esempi d’installazione riportati hanno solo scopo illustrativo. Per la corretta configurazione far sempre riferimento

ad un progettista abilitato.

obbligatorio)

16 Collettori termici solari

17 Gruppo di circolazione solare

18 Valvola miscelatrice termostatica

19 Valvola di zona

20 Miscelazione impianto bassa temperatura

21 Valvola di by-pass

03

T3

Componenti obbligatori per la

18

M

08

19

E

conformità dell’acqua sanitaria alle

10 normative vigenti (D.Lgs. 31/2001, UNI

8065/2019, etc) e ai requisiti impianto

M

20

per le condizioni di garanzia

Componenti obbligatori per la

conformità dell’acqua impianto alle

223

E

E

T2

02