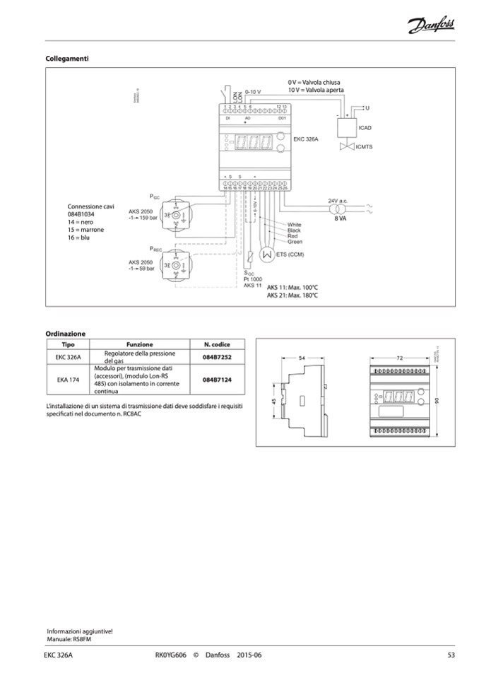
Collegamenti

16 = blu

Ordinazione

Tipo

EKC 326A

EKA 174

AKS 11: Max. 100°C

AKS 21: Max. 180°C

Connessione cavi

084B1034

14 = nero

15 = marrone

8VA

Funzione

Regolatore della pressione

N. codice

084B7252

084B7124

del gas

Modulo per trasmissione dati

(accessori), (modulo Lon-RS

485) con isolamento in corrente

continua

L’installazione di un sistema di trasmissione dati deve soddisfare i requisiti

specificati nel documento n. RC8AC

Informazioni aggiuntive!

Manuale: RS8FM

EKC 326A

RK0YG606 © Danfoss 2015-06

53

0 V = Valvola chiusa

10 V = Valvola aperta