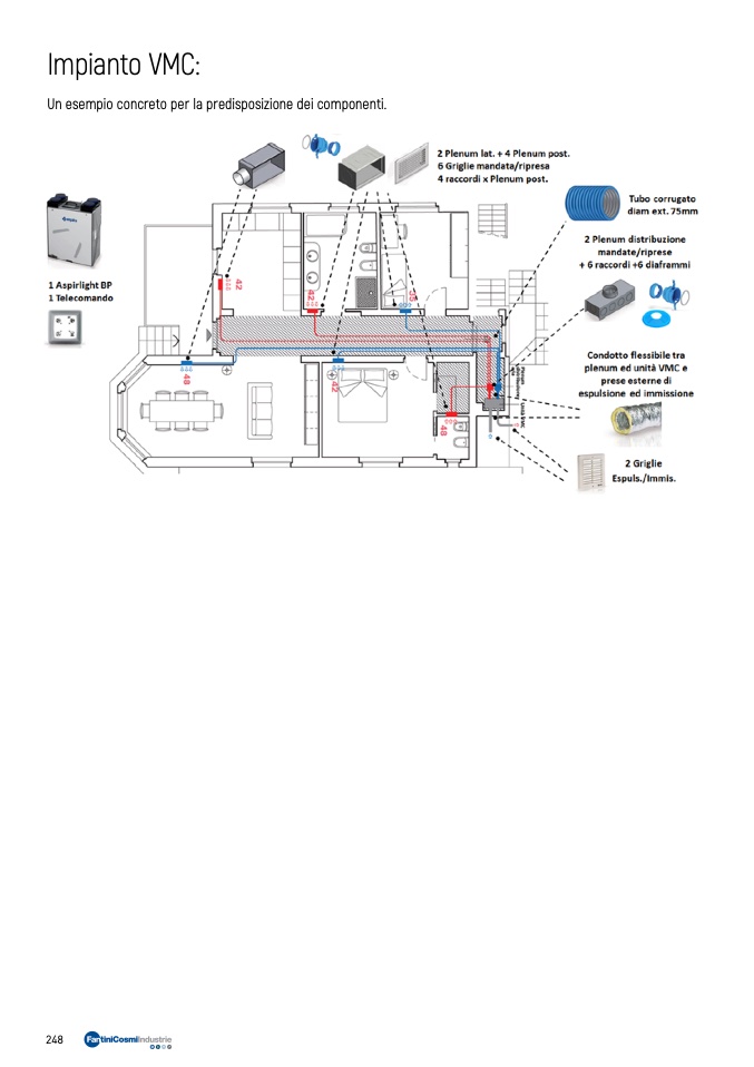
Impianto VMC:

Un esempio concreto per la predisposizione dei componenti.

248