CATALOGO PARTI DI RICAMBIO

Rubinetteria

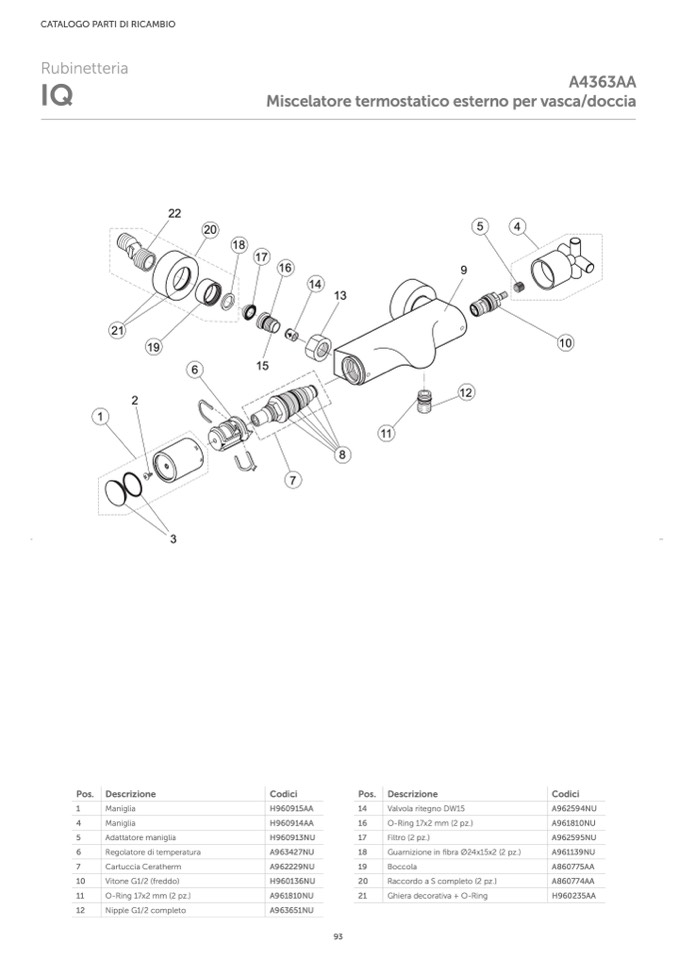
A4363AA

IQ

Miscelatore termostatico esterno per vasca/doccia

IQ

A4363AA

MISCELATORE TERMOSTATICO ESTERNO PER VASCA/DOCCIA

PARTE 09:Layout 1 28-08-2009 11:03 Pagina 202

22

20

18

17

16

14

13

11

8

5

4

9

21

19

6

10

2

1

15

7

12

3

Pos.

Descrizione

Codici

Pos.

Descrizione

Codici

1 Maniglia

H960915AA

4 Maniglia

H960914AA

94,00

80,00

8,00

14,00

55,00

14,00

A961810NU

A963651NU

A962594NU

A962595NU

A961139NU

8,00

13,00

12,00

9,00

9,00

26,00

83,00

39,00

5 Adattatore maniglia

6 Regolatore di temperatura neutro

7 Cartuccia Ceratherm

10 Vitone G1/2 (freddo)

H960913NU

A963427NU

A962229NU

H960136NU

11 O-Ring 17x2 mm neutro (2 pz.)

12 Nipple G1/2 completo

14 Valvola ritegno DW15 neutra

17 Filtro neutro (2 pz.)

18 Guarnizione in fibra Ø24x15x2 (2 pz.)

19 Boccola

A860775AA

20 Raccordo a S completo (2 pz.)

A860774AA

21 Rosone x raccordo ad S cromo

H960235AA

Pos.

Descrizione

Codici

1

Maniglia

H960915AA

4

Maniglia

H960914AA

5

Adattatore maniglia

H960913NU

6

Regolatore di temperatura

A963427NU

7

Cartuccia Ceratherm

A962229NU

10

Vitone G1/2 (freddo)

H960136NU

11

O-Ring 17x2 mm (2 pz.)

A961810NU

12

Nipple G1/2 completo

A963651NU

Pos.

Descrizione

Codici

14

Valvola ritegno DW15

A962594NU

16

O-Ring 17x2 mm (2 pz.)

A961810NU

17

Filtro (2 pz.)

A962595NU

18

Guarnizione in fibra Ø24x15x2 (2 pz.)

A961139NU

19

Boccola

A860775AA

20

Raccordo a S completo (2 pz.)

A860774AA

21

Ghiera decorativa + O-Ring

H960235AA

93

202