PUFFERMAS

®

DOMUS

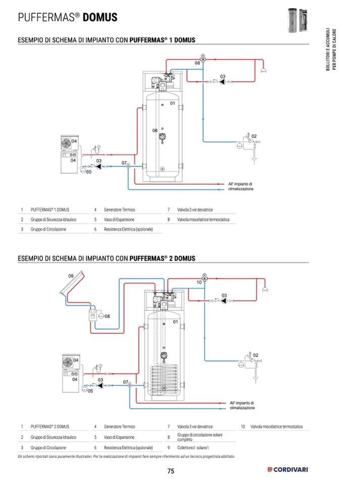
ESEMPIO DI SCHEMA DI IMPIANTO CON PUFFERMAS

®

1 DOMUS

M

08

03

01

06

02

04

03

05

07

E

04

All' impianto di

climatizzazione

1

PUFFERMAS

®

1 DOMUS

2

Gruppo di Sicurezza Idraulico

3

Gruppo di Circolazione

4

Generatore Termico

7

5

Vaso di Espansione

8

6

Resistenza Elettrica (opzionale)

Valvola 3 vie deviatrice

Valvola miscelatrice termostatica

ESEMPIO DI SCHEMA DI IMPIANTO CON PUFFERMAS

®

2 DOMUS

09

M

10

03

08

03

05

4

5

6

01

04

02

All' impianto di

climatizzazione

04

07

E

1

PUFFERMAS

®

2 DOMUS

2

Gruppo di Sicurezza Idraulico

3

Gruppo di Circolazione

Generatore Termico

Vaso di Espansione

8

7

Valvola 3 vie deviatrice

Gruppo di circolazione solare

completo

10 Valvola miscelatrice termostatica

Resistenza Elettrica (opzionale)

9

Collettore/i solare/i

Gli schemi riportati sono puramente illustrativi. Per la realizzazione di impianti fare sempre riferimento ad un tecnico progettista abilitato.

75

B

O

L

L

I

T

O

R

I

E

A

C

C

U

M

U

L

I

P

E

R

P

O

M

P

E

D

I

C

A

L

O

R

E