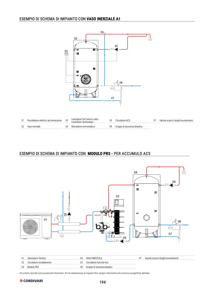
ESEMPIO DI SCHEMA DI IMPIANTO CON VASO INERZIALE A1

04

01 Riscaldatore elettrico ad immersione 03

Centralina Full Control o altro

controllore /termostato

02 Vaso inerziale

04

Miscelatore termostatico

05

Circolatore ACS

06

Gruppo di sicurezza idraulico

07 Valvola scarico fanghi/svuotamento

02

03

05

06

07

01

ESEMPIO DI SCHEMA DI IMPIANTO CON MODULO PRS - PER ACCUMULO ACS

04

03

05

01

01 Generatore Termico

02 Circolatore riscaldamento

03 Modulo PRS

04 VASO INERZIALE

05 Circolatore ricircolo Acs

06 Gruppo di sicurezza idaulico

2

0

05

06

07

07 Valvola scarico fanghi/svuotamento

Gli schemi riportati sono puramente illustrativi. Per la realizzazione di impianti fare sempre riferimento ad un tecnico progettista abilitato.

194