Istruzioni di montaggio delle cappe telescopiche

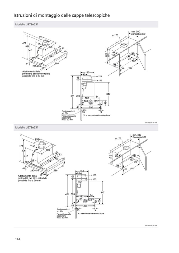
Modello LI97SA531

471

426

253

95

506

84

82

40

ø 170

=

=

min. 198

420

min. 300

Consiglio 320

33

137

600

347

187

14

524

41

290-455

Adattamento della

17

profondità del filtro estraibile

possibile fino a 29 mm

898

49

95

195

45

471 385

41

Posizione luci

a LED

Pannello parete

posteriore

max. 20 mm

ø 120

ø 150

347

84

0 82

Modello LI67SA531

253

471

95

426

347

37

14

41

290-455

Adattamento della 17

profondità del filtro estraibile

possibile fino a 29 mm

ø 170

=

Dimensioni in mm

min. 300

Consiglio 320

35

X

X: a seconda della dotazione

506

84

82

=

420

198

min.

524

40

598

45

471 385

41

Posizione luci

a LED

Pannello parete

posteriore

max. 20 mm

33

137

49

600

95

195

ø 120

ø 150

347

84

0 82

144

182

133

133

14

1

182

133

133

14

1

290

290

35

X

X: a seconda della dotazione

Dimensioni in mm