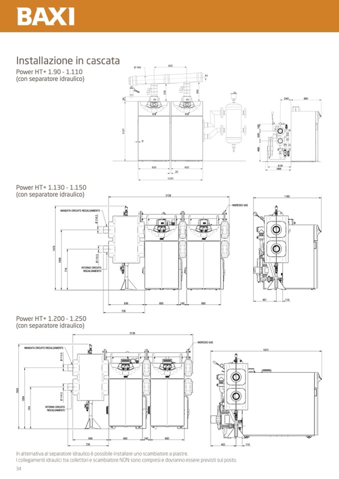
Installazione in cascata

Power HT+ 1.90 - 1.110

(con separatore idraulico)

2126

820

INGRESSO GAS

240

681

519

569

1190

MANDATA CIRCUITO RISCALDAMENTO

20

1

1

2

7

9

4

RITORNO

RISCAL

300

600

300

Ø

1

1

300

600

300

3

3

0

Ø

1

1

4

.

3

CIRCUITO

DAMENTO9

Power HT+ 1.130 - 1.150

(con separatore idraulico)

MANDATA CIRCUITO RISCALDAMENTO

MANDATA CIRCUITO RISCALDAMENTO

726

2126

RITORNO CIRCUITO

RISCALDAMENTO

Power HT+ 1.200 - 1.250

(con separatore idraulico)

MANDATA CIRCUITO RISCALDAMENTO

RITORNO CIRCUITO

RISCALDAMENTO

RITORNO CIRCUITO

2128

40

401

110

1973

401

In alternativa al separatore idraulico

è possibile installare uno scambiatore a piastre.

I collegamenti idraulici tra collettori e scambiatore NON sono compresi e dovranno essere previsti sul posto.

34

1973

600

140

600

636

726

600

140

INGRESSO GAS

600

1190

636

9

600

140

600

INGRESSO GAS

600

1

600

RISCALDAMENTO

636

2128

726

1

5

0

2

1

0

8

4

7

4

4

Ø

1

1

4

.

3

Ø

1

1

4

.

3

1

4

7

6

1

0

5

8

7

1

8

1

5

0

2

1

0

8

4

7

4

4

Ø

1

1

4

.

3

Ø

1

1

4

.

3

Ø

1

1

4

.

3

Ø

1

1

4

.

3

1

0

5

8

7

1

8

5

8

8

,

5

4

6

9

2

2

0

1

6

0

1

4

7

6

4

.

3

636

726

452

110

110

INGRESSO GAS