SIDE BLO

W

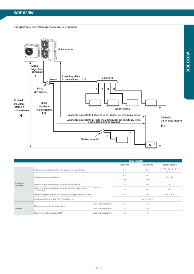
Lunghezza e dislivello ammessi nelle tubazioni

Unità estern

a

Dislivello

tra unit

à

interne e

unità esterna

H1

Linea

frigorifer

a

principale

L1

Prim

a

derivazion

e

Line

a

frigorifera

in derivazione

L3

Linea frigorifer

a

in derivazion

e

Collettore

L2

a b c d

Unità interna

Lunghezza equivalente L (solo linea del liquido) del circuito più lungo

Dislivello

Lunghezza equivalente LI (solo linea del liquido) del circuito più lung

o

a

v

a

l

le della prima derivazione

tra le unità interne

H2

e

Derivazione a

Y

f

A *1

Valore consentito

Con kit PMV

Senza kit PMV

Sezione tubazione

Estensione totale tubazione (tubo del liquido, lunghezza effettiva)

75 m

90 m

L1 + L2 + L3 + a + b + c

+

d + e + f

50 m

60

m

Lunghezza tubazione più distant

e

L1 + L3 +

f

40 m

50

m

Lunghezz

a

tubazion

e

Massima lunghezza equivalente della tubazione principale

25 m

30m

L

1

Lunghezz

a

Massima lunghezza equivalente della tubazione più distante dopo l

a

1a derivazione

15 m

20m

L3 +

f

Massima lunghezza effettiva della tubazione di collegamento unità interne

10 m

10m

a, b, c, d, e, f

Lunghezza effettiva tra il kit PMV e l’unità interna

-

Tra 2 m e 10 m

Unità esterna superiore

15 m

15

m

Dislivello tra le unità interne ed estern

e

Dislivell

o

Unità esterna inferiore

15 m

15

m

Dislivello tra unità interna e kit PMV

Unità esterna superiore

10 m

10

m

3

3

S

I

D

E

B

L

O

W