RECUPERATORE DI CALORE ARIA-ARIA

VN-U_SY-E

RECUPERATORE DI CALORE ARIA-ARI

A

Disegni

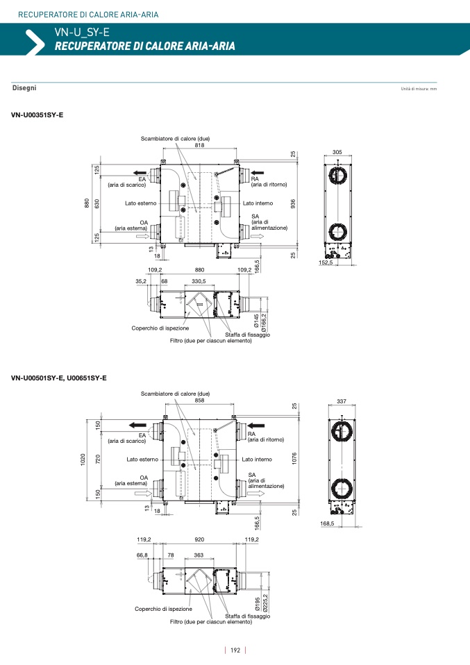
VN-U00351SY-E

8

8

0

1

2

5

6

3

0

1

2

5

Scambiatore di calore (due)

81

8

E

A

(aria di scarico

)

Lato estern

o

OA

(aria esterna

)

1

3

18

0

1

9 2

,

35,2

68

330,

5

30

5

RA

(aria di ritorno)

Lato intern

o

SA

(aria di

alimentazione)

1

880

2

0

,

9

1

6

6

,

5

Ø

1

4

5

Coperchio di ispezione

Ø

1

6

6

,

2

Staffa di

fissaggi

o

Filtro (due per ciascun elemento)

2

5

9

3

6

2

5

152,5

1

5

0

1

0

2

0

7

2

0

1

5

0

VN-U00501SY-E, U00651SY-E

Scambiatore di calore (due

)

E

A

(aria di scarico)

Lato esterno

OA

(aria esterna

)

1

3

18

1

9

1

2

,

66,

8

858

33

7

R

A

(aria di ritorno

)

Lato interno

SA

(aria d

i

alimentazione)

1

6

6

,

5

1 1

920

2

,

9

Coperchio di ispezione

Ø

1

9

5

Ø

2

2

5

,

2

Staffa di

fissaggio

Filtro (due per ciascun elemento

)

192

1

0

7

6

2

5

2

5

168,5

78

36

3

Unità di misura: mm