CASSETTA A 2 VI

E

Dimensional

i

MMU-UP0071WH-E - MMU-UP00151WH-

E

6

8

0

6

2

0

3

8

0

880 (A4)

Unità di misura: mm

(D6)

(

A

4

)

1000~1010 (A2

)

1050 (A1

)

MMU-UP0181WH-E - MMU-UP0301WH-E

6

8

0

6

2

0

3

8

0

1245 (A4

)

(

A

2

)

(D6

)

(

A

1

)

2

0

2

9

5

(

A

4

)

(

A

2

)

(

A

1

)

1

5

1

2

0

3

4

5

1365~1357 (A2

)

1415 (A1

)

MMU-UP0361WH-E - MMU-UP0561WH-E

6

8

0

6

2

0

3

8

0

1665 (A4

)

1785~1795 (A2)

1835 (A1

)

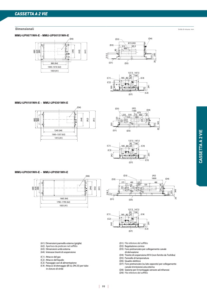
(A1) Dimensioni pannello esterno (griglia

)

(A2

)

(A3) Dimensioni unità estern

a

(A4) Interasse tiranti di sospension

e

(C1) Attacco del gas

(C2) Attacco del liquid

o

(C3) Passaggio cavi di alimentazion

e

(C4)

Attacco di drenaggio (Ø 32, DN 25) per tubo

in cloruro di vinil

e

(D3

)

(D4)

(D3

)

815 (A3)

95.5

312

48

0

9

0

2

1

3

.

5

1

5

1

(D1)

(D5

)

(C1)

18

5

8

0

137.5 147.5

95 19

0

2

0

(C4

)

(C2)

1

8

9

2

4

1

1

0

3

(C3

)

(D7)

(D3)

(A3

)

118

0

(D4

)

22

5

47

5

335

11

0

480

105

480

480

4

0

1

2

0

1

0

5

1

2

0

1

5

6

2

5

5

ø

1

6

2

ø

1

6

2

(D1)

(D5)

(C1)

18

5

8

0

137.5 147.5

95 190

2

0

(C4)

(C2)

2

4

2

2

9

1

1

0

3

(C3)

(D7)

(D6)

(D3)

(D3)

275

400

12

5

105

10

5

32

0

(

A

4

)

(

A

2

)

(

A

1

)

1

0

5

1

0

5

2

2

6

.

5

ø1

6

2

ø

1

6

2

ø

1

6

2

1

2

0

1

2

0

7

7

(D1)

(D5)

(C1

)

185

80

137.5 147.

5

95 190

20

(C4)

(C2)

2

4

2

2

9

1

1

0

3

(C3)

(D7)

(D1)

(D2) Regolazione cornice

(D3)

Foro pretranciato per collegamento canale

di derivazion

e

(D4)

Tirante di sospensione M10 (non fornito da Toshiba)

(D5) Pannello di tamponatura

(D6) Quadro elettrico

(D7)

Foro pretranciato (su lato opposto) per collegamento

canale immissione aria esterna

Sezione per il montaggio sensore ad infrarossi

(D8)

(D9)

C

A

S

S

E

T

T

A

A

2

V

I

E

(A3

)

1600

(D4

)

48

0

1

5

6

4

0

1

5

1

2

5

5

2

0

3

4

5

99