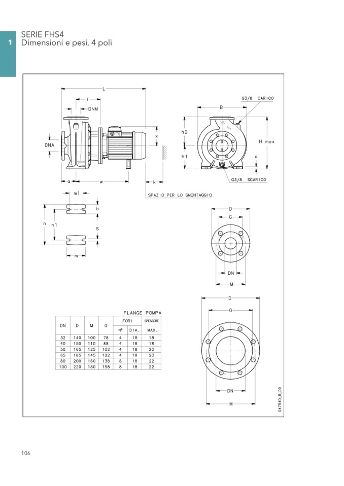
SERIE FHS4

1 Dimensioni e pesi, 4 poli

106