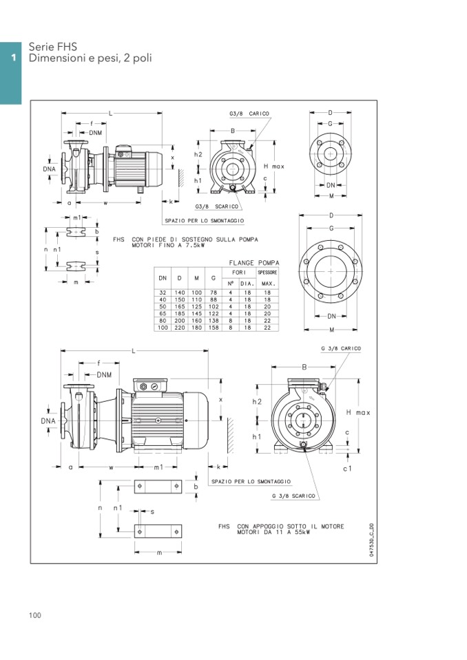
Serie FHS

1 Dimensioni e pesi, 2 poli

100